导航条
首页 您的位置:您的位置:首页电机产品直流电机直流无刷电机 → ZWH110系列无刷电机
分栏标签 
产品名称: ZWH110系列无刷电机
型号规格: ZWH110系列无刷电机
  放大图片 放大图片
产品类别: 常规产品 -- 电机产品 -- 直流无刷电机
分栏标签 
参考价格: 厂价直销
产品品牌: 国产
产品产地: 上海
分栏标签 
可供数量: 批量
供货周期: 现货(或电询)
标签
产品询价 在线交流
13901609058
邮件 91way@163.com
更多分享

分栏标签 
产品简介:
(点击小图查看大图)
ZWH110系列无刷电机产品详细说明:
ZWH110系列无刷电机

型号 
TYPE
额定功率(W) 
Rated Power
额定电压 (V)
Rated Voltage 
额定转矩 (N.m) 
Rated Torque
额定转速 (r/min) 
Rated Speed 
相数 
Phase M 
极数
Polar P
绕组方式 
Winding Form
ZWH110-150
150
12.24.48.310
0.72/0.48/0.36
2000/3000/4000
3
4
Y
ZWH110-250
250
24.48.310
1.2/0.80/0.6
2000/3000/4000
3
4
ZWH110-500
500
24.48.310
1.59/1.2
3000/4000
3
4
ZWH110-150G
150
24.48.310
0.24/0.18/0.14
6000/8000/10000
3
4
ZWH110-250G
250
24.48.310
0.40/0.30/0.24
6000/8000/10000
3
4
ZWH110-500G
500
24.48.310
0.80/0.60/0.48
6000/8000/10000
3
4

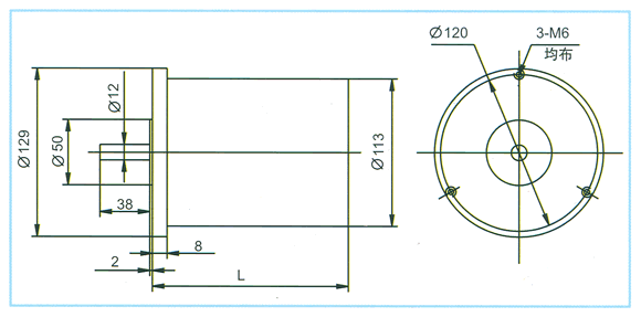
ZWH110系列无刷电机外形及安装尺寸

ZWH110系列无刷电机

ZWH110系列无刷电机
产品分类
本网站所有产品资料均来源于各有关生产厂商,我们不保证资料的完整性及正确性,如需更详细资料,请直接联系厂商