| 产品名称: | 82SWB系列无刷直流电机 | |||||
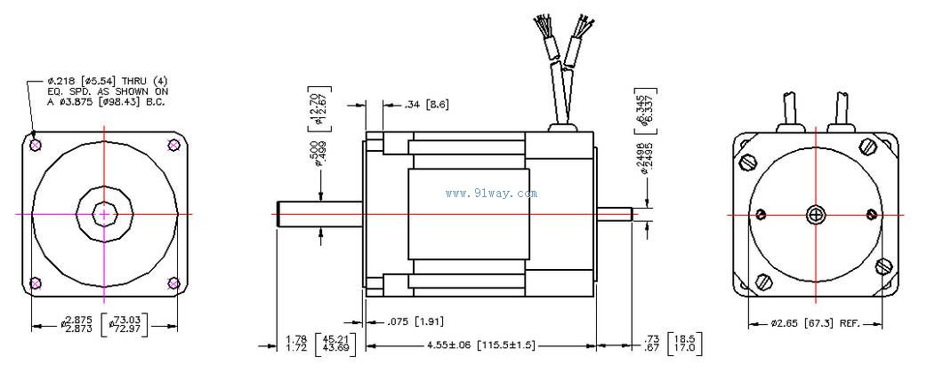
| 型号规格: | ![]() |
|||||
| 产品类别: | 常规产品 -- 电机产品 -- 直流无刷电机 | |||||
| 参考价格: | 厂价直销 | |||||
| 产品品牌: | 国产 | |||||
| 产品产地: | 上海 | |||||
| 可供数量: | 批量 | |||||
| 供货周期: | 现货(或电询) | |||||
|
||||||
| 产品简介: |
|
|||||

|
标准型号 Part Number |
Unit |
82SWB01 |
82SWB02 |
82SWB03 |
|
额定力矩 Rated Torque |
N.m |
0.63 |
1.3 |
1.76 |
|
转动惯量 Rotor Inertia |
g.cm2 |
0.15 |
0.28 |
0.42 |
|
总长度 Total Length |
mm |
78 |
103 |
128 |
|
重量 Weight |
Kgs |
1.9 |
2.4 |
3.5 |
|
不同绕线参数 Winding Option |
Unit |
01L2 |
02L4 |
03L4 |
|
额定电压 Rated Voltage |
V |
24 |
48 |
48 |
|
空载转速 No load Speed |
rpm |
3200 |
3450 |
3450 |
|
空载电流 No load Current |
A |
1.2 |
0.9 |
1.1 |
|
额定转速 Rated Speed |
rpm |
2850 |
3050 |
3000 |
|
额定电流 Rated Current |
A |
10.5 |
9.5 |
11.5 |
|
额定功率 Rated Output |
W |
190 |
360 |
450 |